Sunday, November 20, 2022

[17+] Manual Taller Suzuki Grand Vitara, SUZUKI GRAND VITARA | Taller Ramon Plana

Manual Taller Suzuki Grand Vitara Vitara Jimny Sidekick Todoterreno Jipe Offroad Reboque Jipes Jlx Expedição Vicia Wohnwagen Anhänger Remolques Reboques Umbauten Sj413 Geländereifen Geländewagen Schwerer

Manuales de mecánica y taller uruguay: suzuki grand vitara 2005

Manual de taller y servicio para suzuki vitara o sidekick o geo tracker. Vitara propietario lts. Suzuki vitara live. Vitara zofti manuales

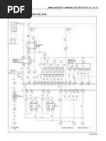
SUZUKI GRAND VITARA | Taller Ramon Plana

SUZUKI GRAND VITARA | Taller Ramon Plana

Suzuki 88 - (brico) INSTALACIÓN KIT DE LUCES AUTOMÁTICAS finalizado

Suzuki 88 - (brico) INSTALACIÓN KIT DE LUCES AUTOMÁTICAS finalizado

Manual de Taller y Servicio para Suzuki Vitara o SideKick o Geo Tracker

Manual de Taller y Servicio para Suzuki Vitara o SideKick o Geo Tracker

Manual De Taller De Suzuki Vitara 1988-1998 - $ 4.800 en Mercado Libre

Manual De Taller De Suzuki Vitara 1988-1998 - $ 4.800 en Mercado Libre

Manual de Taller y Servicio para Suzuki Vitara o SideKick o Geo Tracker

Manual de Taller y Servicio para Suzuki Vitara o SideKick o Geo Tracker

No comments:

Post a Comment

[51+] Dessin Créatif - Pinterest..